Супергетеродин. Как я собрал коротковолновый ра...
Супергетеродин. Для начинающих. Что это такое и...
Супергетеродин с двойным преобразованием частот...
СУПЕРГЕТЕРОДИННЫЙ ПРИЕМНИК СЛОЖНЫХ ФАЗОМАНИПУЛИ...
Двойное преобразование частоты | Основы электро...
Супергетеродин с двойным преобразованием частоты
Двухламповый супергетеродин - RadioRadar
Схема супергетеродинного приемника с двойным пр...
Супергетеродин или приемник прямого преобразова...
Схема супергетеродинного приемника
Супергетеродин СВ-КВ с питанием от 3В
Настройка рации мегаджет 555
ЭКСПЕРИМЕНТАЛЬНЫЙ ПРИЁМНИК КОРОТКОВОЛНОВИКА-НАБ...
Rio-супергетеродин с регенеративным детектором.
Дед клуб: Суперсверхрегенеративный приёмник УКВ.
Гетеродинный приемник принцип работы
Супергетеродин с регенеративным каскадом на диа...
Супергетеродинный приемник - ОБЩАЯ ТЕОРИЯ СВЯЗИ
Супергетеродинный приемник с двойным преобразов...
Лекция 2
Рация своими руками в домашних условиях
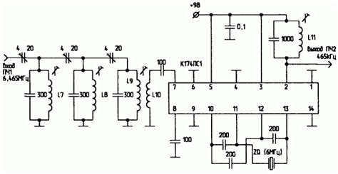
«Рис. 5.19. Принципиальная схема приемника с дв...
Принципы работы супергетеродинного приемника
Простой супергетеродин с отдельным гетеродином ...
Рации супергетеродин. Радиостанции супергетерод...
"Карлсон" супергетеродин с двойным преобразован...