Структурная схема триггера Шмитта - Школьникам ...
Триггер Шмитта
Принцип работы и особенности триггера Шмитта на...
6.2.3. Триггер Шмитта
Триггер шмитта на оу
17.6. Триггер шмитта
Триггер от trigger – курок (спусковой крючок) -...
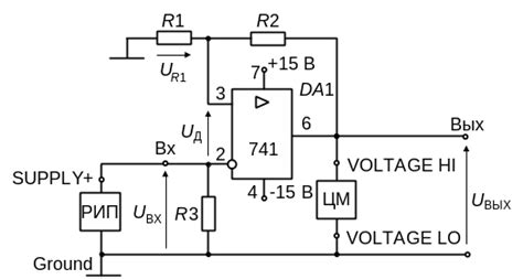
Лекция 50. Триггер Шмитта на операционном усили...
Что такое триггер Шмидта и как он работает
Как работает триггер Шмитта - YouTube
Грил тиган Schmitter, Двоен, Правоъгълен, 36 х ...
Что такое триггер Шмидта. Схемы триггера Шмитта
Принцип работы транзисторного триггера Шмитта
Триггер Шмитта — общее представление - РЕМОНТКА
Триггер Шмитта. Курсовая работа. - YouTube
Триггер Шмитта, Мультивибратор - Прикладная эле...
Несимметричный триггер с эмиттерной связью (три...
С ТРИГГЕРОМ ШМИТТА | МОДЕЛИСТ-КОНСТРУКТОР
Схема триггер шмидта
Триггер шмитта на транзисторах это
Триггер Шмитта | это... Что такое Триггер Шмитта?
BU4S584G2-TR, Инвертор, триггер Шмитта, 1 вход,...
3.1. Триггеры Шмитта
Триггер Шмидта - как он работает - YouTube
Тенджера Schmitter Premium, С капак, Инокс, Инд...
Немного аналога [Расчет триггера шмитта на ОУ] ...
Триггер Шмитта - YouTube
Расчет триггера Шмитта на транзисторах - YouTube
Триггер Шмитта, HD Png Download , Transparent P...