ПАНТОГРАФНОЕ УСТРОЙСТВО 40.5205.800-04
Устройство стеклоочистителя: Стеклоочистители: ...
Как поменять щётки стеклоочистителя 3 инструкции?
Устройство стеклоочистителя и принцип работы пр...
Схема стеклоочистителя,схема стеклоочистителя ваз
Купить Пантографное устройство ARM 550MM GB-08С...
Купить УСТРОЙСТВО ПАНТОГРАФНОЕ (КОРОТКАЯ) для с...
Привод стеклоочистителя гранта ремонт
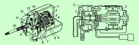
Устройство и работа двигателя стеклоочистителя
Привод стеклоочистителя (передний, задний) – ме...
Привод стеклоочистителя – принцип работы, устро...
Щетки стеклоочистителя: как выбрать и когда мен...