KA2263 IC KOLO - Beli elektronik
KIT COM 05 PEÇAS - CIRCUITO INTEGRADO SIP-9 PIN...
KA2263_103392.PDF Datasheet Download --- IC-ON-...
Jual KIT decoder FM STEREO MPX TA7343 KA2263 - ...
Jual TUNER FM STEREO TA7343/KA2263 - KIT PLUS T...
Circuito Integrado KA 2263 - Eletropeças
Samsung Electronic KA2263 Datasheet.
KA2263 Datasheet PDF - ETC2
KA2263 - Kılıç Elektronik - Led Tv Panel Ledler...
KA2263 Datasheet(PDF) - List of Unclassifed Man...
Signal - Fm Stereo Generator
Микросхема KA2206B (ID#1342594163), цена: 15.40...
KA22063 – Carrod
KA2263 Integrated Circuit IC New IC Genuine KA2...
ای سی ها (IC) KA 2263
Ikkat Cotton Fabric-KA2263 – Fabricroot
Jual Tuner Radio FM STEREO IF LA1260 TA7343/KA2...
KA2263 semiconductor refacciones electronicas c...
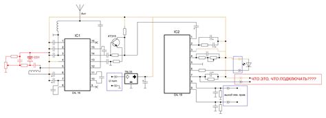
Ka2263 схема включения
Купити Мікросхема KA2263 МС0901 в інтернет мага...
ci KA 2263 ~ ic KA2263 ~ FM Stereo Multiplex De...
Jual KA2263 IC Stereo Mpx Decoder di Lapak Spio...
Jual PCB FM STEREO MPX Receiver TA7343 KA2263 A...
Circuito Integrado AN7420 TA7343 KA2263 Decodif...
KA2263 | Shopee Thailand
Tda7021T + Ka2263 - КВ и УКВ радиосвязь - Форум...
Free shipping 5pcs/lot KA2263 KA2263 SIP9 new o...
KA 2263, Tube KA2263; Röhre KA 2263 ID57965, IC...
Интегр.схема KA2263 - КСП Електроникс
Микросхема TA7343AP SIP9, ТА7343АР замена AN742...