Купити Електрошашличниця (C157-1) Ціна 1 799 гр...
К157ДА1 - Куплю - Форум по радиоэлектронике
К157УД2 - Продам-Отдам, Услуги - Форум по радио...
Микросхемы К157 , К553 И Другие - Начинающим - ...
К157уд2 - Предусилители, темброблоки, фильтры -...
К157УД2 чем можно заменить - Начинающим - Форум...
К157УД2 - Страница 2 - Продам-Отдам, Услуги - Ф...
Электрические схемы и справочная информация ›› ...
Микросхема К157УД1 - Радиоэлементы - Форум по р...
Пред На К157Уд2 - Страница 2 - Предусилители, т...
Микросхема К157УД2 и её аналоги, характеристики...
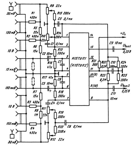
Микросхемы К157УП1 и К157УП2
К157УД2 содержание драгметаллов в микросхеме
К157ХП3 - купить Харьков Украина 3v3.com.ua
к73п-3 1мкф 160в 10% - Конденсаторы - РетроРади...
К157УП1А. К157УП1Б, КБ157УП1Б-4, К157УП2А, К157...
157 серия - Музей электронных раритетов
Микросхема К157ХП2
Realizace K157 - Nábytek HVH
К157ДА1 - YouTube
К157ХА1А, К157ХА1Б — rcl-radio.ru
Почему радиолюбители ищут микросхему к157уд2,гд...
К157УЛ1 тихий звук - Страница 5 - Для начинающи...
К157УЛ3 Ищу справочные данные
Микросхема К157УД2: характеристики, аналоги, сх...
Микросхемы - РетроРадиоДеталь
Микросхема К157УД1
Микросхема К157УД2: Характеристики, аналог, схе...
Применение микросхемного стабилизатора К157ХП2
КС-157 Планка соединительная