Módulo CH340G USB a UART TTL Módulo serie TTL d...
基于CH340G芯片设计 3.3V USB转串口小板 硬件(原...
Programming Arduino Uno using SparkFun Serial B...
Esp32 Dev Module Usb Driver
CH340G Electronic Components
CH340G模块USB转TTL串口中九升级刷机小板 STC单片...
CH340G Serial2USB - Jan Friedrich Elektronikver...
USB转TTL CH340G模块STC单片机下载线刷机板USB转串...
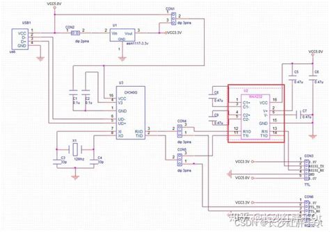
CH340G USB转TTL接口电路原理图PCB文件设计 - 51单...
USB转RS232通讯串口线 CH340G模块 DB9针公母COM电...
CH340G USB转串口 (搭配BluePill使用) - 立创开...
USB转TTL USB转串口下载线CH340G模块 RS232升级板...
ATmega2560-16AU USB CH340G MCU Development Boar...
USB to serial port download line CH340G module ...
CH340C CH340G CH340E 340T 340B 340N 340K 340S U...
CH340G芯片资料参考电路图和工作原理应用图
1 cái - IC Giao Tiếp cổng USB CH340G CH340C CH3...
ESP32 CAM MB USB Programmer Board CH340G USB To...
Ch340g Usb To Ttl Schematic Usb Ttl Ch340g Conv...
CH340G SOIC16 USB to Serial TTL-RS232 converter...
UART-TTL USB Adapter mit CH340G Konverter für 3...
1 db USB-TTL átalakító Micro UART modul CH340G ...
硬件开发笔记(十): 硬件开发基本流程,制作一个U...
CH340B CH340C CH340E CH340G CH340T CH340N 贴片U...
Ch340 Datasheet Usb To Serial Chip Pinout - Vro...
CH340G USB TTL Serial Chip IC SOP16 in Pakistan
【电子通识】CH340C与CH340G的区别_ch340g和ch340c...
工业用usb转rs485 422 Ch340g转换器升级保护转换器...
diymore ESP32-CAM-MB CH340G USB Serial WiFi Blu...
晟记 CH340G CH340E CH340C CH340T SOP-16 USB转串...
USB to TTL 변환기 UART 모듈, CH340G, CH340, 3.3...
Módulo CH340G USB A UART TTL Serie 5V/3 3 V par...
CH340G USB TO TTL Converter Module - iFuture Te...
USB转TTL USB转串口下载线CH340G模块 3.3V/5V独立L...
CH340: An Overview of the Popular USB-to-Serial...
CH340 module USB to TTL CH340G download brush p...
USB to Serial Chip CH340 Datasheet by SparkFun ...
如何使用 CH340G 模块为 51 单片机烧录程序-物联沃...
【凯拓达电子】CH340G USB转串口芯片 CH340贴片SOP...
1pcs new CH340B CH340C CH340G CH422G CH440G CH4...
AITRIP 2 Pieces ESP32-CAM WiFi Board ESP32-CAM-...
USB to TTL Converter Modul UART CH340G CH340 - ...
ESP32 ESP8266 ESP-12 ESP-12F CH340G CH340 S2 TY...
Arduino Uno R3 Ch340 Schematic
Nodemcu Esp8266 V3 Ch340g Driver
USB转串口芯片CH340G/C/E/T/N贴片IC SOP8 16 SSOP2...
LngBo SUN ESP32 CH340G Wemos บอร์ด UNO R3 D1 R3...
Arduino uno r3 ch340g распиновка
测试CH340G有无工作_怎么判断ch340好坏-CSDN博客
Schéma zapojení USB serial adaptéru CH340G
Arduino Nano ATmega238P/CH340G V3.0 PCB Layout ...
CH340G datasheet(7/10 Pages) WCH | USB Convert ...
【数据手册】CH340G芯片使用介绍
Arduino Mega 2560 R3 Blue with CH340G USB Conne...
usb转ttl ch340g下载线模块usb转串口rs232升级板刷...
Uno R3 CH340G ATmega328p Development Board Ardu...
CH340G_UART_Module_Type-C - Platform for creati...
原装正品贴片 CH340G SOP-16 USB转串口 IC芯片 USB...
CH340G模块 USB转TTL转串口中九升级小板刷机线 STC...
CH340G USB to Serial TTL โมดูลโมดูลแปลง Usb To ...
USB转TTL模块土豪金CH340G RS232升级转串口升级小...
Купить USB на rs232 ttl конвертер ch340g модуль...
单片机与电脑通信,几种方案介绍 - 技术阅读 - 半...
CH340G芯片 USB转串口 CH340封装SOP16集成电路贴片...
MINI USB Nano V3.0 ATmega328P CH340G 5V 16M Mic...
土豪金CH340G RS232升USB转TTL转串口中九升级 ttl...
全新CH340G 340C 340T/E/N/K/B CH340X USB转接串口...
HW-694 WEMOS CH340G Breakout 5V 3.3V USB to ser...
CH340G USB UART TTL Converter Module 3.3V 5V Se...
Ch340g/ch340e Usb To Ttl Converter Uart Module ...
USB RS485 Raspberry Pi UART- Interface USB RS48...
USB-C Arduino Nano - Klon 16M 5V CH340G - hosys.cz
Controlador USB CH340G – Eletronica Ceara
CH340G串口模块-71412-深圳优信电子科技有限公司
USB转485转换器(ch340G)
Ch340g Pinout
STC/STM32 CH340G Upgraded USB to TTL Downloader...
【数据手册】CH340G芯片使用介绍_ch340g芯片资料-C...
USB转TTL模块 CP2102/CH340G USB转TTL USB串口模块...
WEMOS CH340G USB to TTL module
Type C USB to TTL Serial Port CH340E Module rep...
CH340G 封装SOP-16 贴片 全新原装 USB转串口IC芯片...