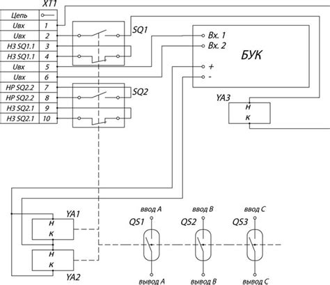
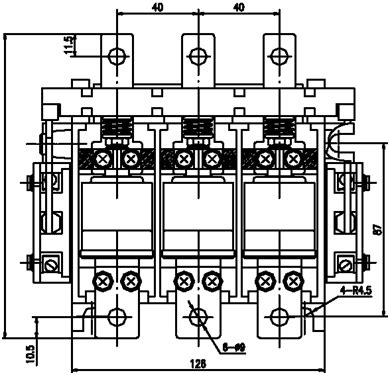
Вимикач-роз'єднувач ПВР, 160А (горизонтальний)
Купить Контактор МК 4-30 160А по низкой цене
Контактор вакуумный - АО «ПО «Север»
Сварочный аппарат инвертор Contact 160A
BK-VM — Вакуумные контакторы до 3200А
Вакуумный контактор ВК49-63А 220В
Купить Вентилятор VKK-160m | НЕВАТОМ
Купить Контактор КВ-1,14 2,5/160А по низкой цене
Вакуумный контактор ВК49-125А 220В
Вакуумный контактор 630а КВТ2-1,14-5/630 цена К...
Заказать Контактор NXC-160 160A 220В/АС3 2НО+2Н...
Вакуумный контактор ВК49-630А 220В
Контактор вакуумный квт 160А купить в Екатеринб...
Высоковольтные вакуумные контакторы ВК89-7,2кВ ...
Контактор вакуумный реверсивный - АО «ПО «Север»
Контактор ID-160A | Резервни части, консумативи...
Контактор вакуумный КВ1-1,14-1,6/160-3 продаю н...
Высоковольтные вакуумные контакторы ВК89-12кВ 1...
Вакуумные контакторы ВК49-250А 220В
Контактор КВТ 160 220В, вакуумный. Цена • НЭЛ Э...
Контакторы вакуумные КВ, КВТ - Контактор вакуум...
Контактор вакуумный КВТ-1 14 400А Саратов цена ...
Вакуумный контактор ВК49-400А 220В
Вакуумные контакторы: купить КВТ и КВ контактор...
Контакторы вакуумные серии КВ, КВТ, КВ-1, КВ-1....
Тиристорный контактор ТРК-160А с защитой и сухи...
Пускатель 100а контактор 160а купить в Москве с...
Вакуумный контактор ВК49-160А 220В
КВТн-160 вакуумный контактор на 160А | Энерджи ...
Вакуумный выключатель 160а. купить в Екатеринбу...
Вакуумный контактор 630а КВТ2-1,14-5/630 цена г...