«Электромагнит-Ек» - Электромагниты тормозные с...
Магазин За Инструменти | Ръчни и Електрически |...
Комплект проводов Е-350 купить по цене 190 руб.
Электронабор 36V350W Эконом
Электровелосипед складной 350W (8Ah) - YouTube
ᐉ Багатофункціональний інструмент Einhell TE-MG...
Купить Контроллер на электромобиль Для 48V воль...
Электроды E308L ф3,2х350 (2кг.) нерж. SELLER, к...
Сравнение LTI FX4 и Mercedes-Benz E-Класс 350 e...
Электроды 4 мм350 E-46 PREMIUM (уп 1кг) - ksk-c...
Электрическая тяпка рыхлитель электротяпка — ку...
Электротяпка - YouTube
TE-MG 350 EQ | Multifunktionswerkzeug
MBH 350 – Das Makina
Стартовый набор для сборки электровелосипеда 35...
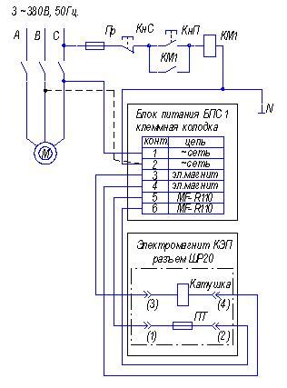
Электромагнит КЭП350 купить по лучшей цене с до...
Einhell Elektro-Multifunktionswerkzeug TE-MG 35...
набор для электровелосипеда
Электронабор 350(500)Вт с емким аккумулятором 4...
Лебедка Электрическая ТЛ-8Б (маневр., 2-х бараб...
Вихрь ДН-350 [8/20] Технические характеристики
MBH-350 Swan Tray at Rs 413/piece | Wedding Gif...
Немски Акумулаторен Тример с Телескопична Дръжк...
Електровелосипед 350W з дамською рамою на 28 ко...
Сімейний електро скутер та електро велосипед АІ...
Купить Электрощетка типа ЭГ8 5х20х25, цена 50 г...