DOLD ZR 715N 2U TIMER - Platinum International
Кулон 715d Схема Принципиальная - tokzamer.ru
Зарядное устройство КУЛОН 707d, Кулон-715d Инст...
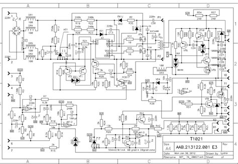
Кулон 715D, часть II | Ремонт торговой электрон...
CHIRON Group SE
715 D1 - alstrailercenter
The 715 series for mill-turn and profile machin...
Зарядное устройство Кулон 715 D в наличии со ск...
Доработка кулон 715d
Кулон 715а - Бытовая техника - Форум по радиоэл...
Кулон 715d зарядное устройство инструкция по эк...
Кулон 715d зарядное устройство. В магазине на В...
Art. 715/D - Mopla Oy
Двері модель 715 Крема емаль - купити міжкімнат...
Автоматическое зарядно-пусковое устройство БАЛС...
Chiron – Serija 715 | Vist
Зарядное устройство Кулон 715d: инструкция, сущ...
K715 - Yaman Endüstriyel
Anasayfa 715-K
№a0715 Кулон Каббалистический ключ - Лавка "Тов...
Зарядное устройство Кулон 715d | Ремонт торгово...