Проводка stels delta 200
Схема проводки стелс дельта 200 53 фото - wForm.ru
Схема проводки стелс сб 200 - 93 фото
Стелс дельта 200. - YouTube
DELTA DPS200PB-59H REV.00 ATX POWER SUPPLY Serv...
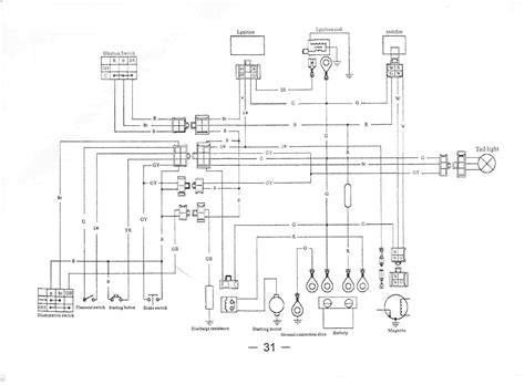
Схема электрооборудования на мотоцикл Stels Del...
Мотоцикл Stels Delta 200 , купить Мотоцикл Stel...
Первый мот stels delta 200 / Блог им. moto_my /...
Ад 200 т400 электросхема
stels delta 200 пробег 1000 - YouTube