Описание микросхемы TL431 принцип работы, назна...
Sr5131dc схема подключения - Фото подборки 3
Sr5131dc схема подключения
Sr5131dc микросхема чем заменить
5pcs-S4560T-S4560-X24C08-95010WP-LM2903DT-AZ358...
Микросхемы памяти ПЗУ и ОЗУ.FLASH,RAM,EEPROM чт...
ULN2003A Схема включения микросхемы
Электронщики и ремонтники, нужна помощь в опред...
Способы подавления электромагнитных помех импул...
Светодиодные лампы с цоколем gx53 под маркой Er...
Микросхема памяти DS2430AP - купить в Москве и ...
Что такое микросхема: описание, назначение и пр...
Микросхема ЭКР1533ИР35 в наличии, купить в Рост...
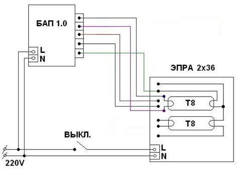
Схема подключения драйвера для светодиодной лампы
Основная микросхема компьютера