Простая доработка китайского частотомера (13 ви...
Ампер-вольтметр из китая 100 вольт 50 ампер. - ...
Китайский частотомер 1гц 50мгц схема - Схемы
=_Radio-ТЕХНИК_=: Собрал себе частотомер
Частотомер из Китая. - YouTube
Частотомер за копейки из Китая (1-50 МГц) - You...
Китайский частотомер NM8016-DIY - Измерительная...
Китайский Частотомер - Измерительная техника - ...
Частотомер до 1000 МГц Макеевский
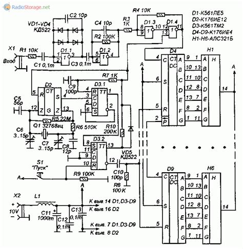
Частотомер 1Гц-50МГц ,тестер кварцевых резонаторов
Частотомер из Китая - YouTube
Китайский Частотомер Набор - Измерительная техн...
Простой частотомер на 25 мгц
Выбор схемы входного формирователя частотомера ...
частотомер 0.1 МГц ~ 65 МГц (ш4) — купить в Кра...
Частотомер, посылка из китая - YouTube
Многофункциональный частотомер из денисовского ...
Китайский частотомер , некоторые вопросы.
Схемы Частотомеров - Паятель.Ру - Все электронн...
Частотомер, Hz, измеритель частоты электронный,...
Купить Цифровой частотомер 1 кГц - 300 кГц в ин...
Частотомер 1Гц-50МГц Е0330(конструктор) для про...
Шкала частотомера – Telegraph
🧰 Тестер кварцевых резонаторов 1Гц - 50МГц Част...
Частотомер из китайского приемника - Diodnik
Частотомер OOTDTY 500 МГц | AliExpress