Ri4182e1 схема встраивания - 92 фото
STK4131II Datasheet - 2Ch, 20W, AF Power Amplif...
STK4182II Original supply, US $ 3.5-8.5 , [SANY...
Радиосхемы. - KA2281- светодиодный индикатор ур...
Усилитель Stk4132 - Страница 3 - Песочница (Q&A...
Справочник
Схема Управления Микросхемой К1182пм1р - Автома...
Gorenje nrki4182a1 схема встраивания
Регулятор Мощности На К1182Пм1Р Не Работает - С...
Gorenje rki 4181 aw схема встраивания - 83 фото
Встраиваемый холодильник Asko R31842i - схема в...
2.3 Устройства электропитания
Регулятор мощности на КР1182ПМ1
Схема встраивания 2 для варочной панели AEG CCE...
Двухканальный лабораторный блок питания своими ...
Схема встраивания для холодильника Asko RFN3183...
Усилитель На Мс Stk4182ii - Усилители мощности ...
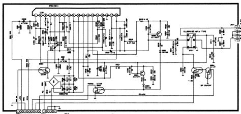
The STK4182 application circuit - Amplifier_Cir...
Регулятор Мощности На К1182Пм1Р Не Работает - Н...
Gorenje hűtőszekrény használati utasítás
Gorenje nrki4182p1 схема встраивания - Фото под...
Gorenje NRKI4182A1 skladem Archivy - Lednička
Отзыв о Холодильник Gorenje RKI4182A1 | Вместит...
Схема встраивания для кофемашины AEG KKK994500M...
Студент гр. 1б81 _______________ Зорина е.В.
Gorenje nrki418fp2 схема встраивания - Фото под...
Схема электрической цепи и инструкции
Stk4132ii схема подключения - 83 фото
Конструкции на основе КР1182ПМ1
Gorenje NRKI4182P1 — Технические характеристики
Схема встраивания для духового шкафа Asko OP866...